应用范围

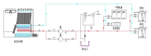
中频(透热/加热/熔炼)炉、高炉、电石炉、轧机结晶器、单/多晶炉、真空炉、热处理炉、玻璃熔窑

水源/地源热泵、水环热泵、制冷主机、自然冷却(冬季免费直接供冷)、冷冻机的蒸发式冷凝器

水冷空压机、印刷机、注塑机、压铸机、变频器、特殊液体(淬火液/液压油等)、机器套体冷却

版权所有:无锡隆祥制冷科技有限公司 2019